Waardering:
  • 0 stemmen - gemiddelde waardering is 0
  • 1
  • 2
  • 3
  • 4
  • 5
Volvo 245
#1
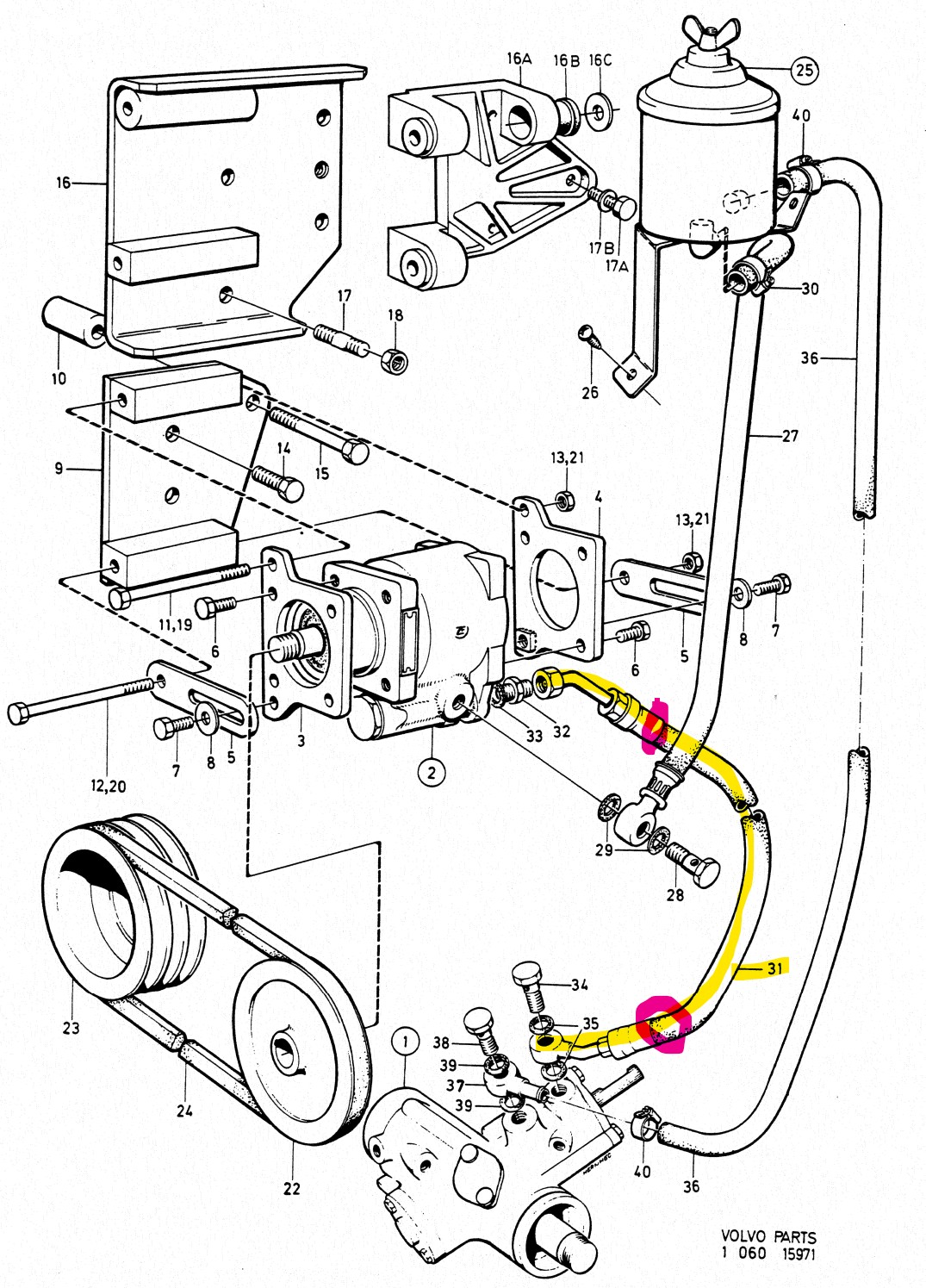
Mijn 245 drupt wat rode olie, ATF. Maar het komt niet uit de automaat, het zit te hoog en te ver naar woren. Nu heeft deze 245 uit 1976 af fabriek een Cam Gear stuurbekrachtinging, en daar zit ook ATF in. Dukslang 31 op plaatje (geel gemarkeerd) lekt, er lijkt olie ut de manchetten aan de uiteinden te zweten/druppen (rood aangegeven).
De oliebron heeft zich dus laten vinden, de vervangende slang echter nog niet. Dus 2 vragen:

1) Weet iemand waar deze dukslang nr 1221897 te koop is? Dit is het nr dat bij de B21A hoort. (ik probee rmorgen VKO ook wel even te bellen)

2) Aan stuurhuis zijde zit een banjo-bout, aan de pompzijde een schroefdraad. Weet iemand welke maat en welke draad dit is? Dan kan ik mogelijk bij een hydrauliek-firma iets laten samenstellen.

Alvast bedankt


[Afbeelding: 245stuurbekrachting_drukslang-1221897.jpg]
Volvo 245 DL, 1976, B21A, AW71, LPG | Volvo 340 GL Special, 1990, 5d, 1.4, CVT | Volvo 340 GL Special, 1990, 1.4, 3d, CVT | Volvo XC70 2.5T automaat, 2005
Antwoord
#2
Die maat weet ik niet. Maar als je het systeem leeg laat lopen de V snaar eraf haalt, kan je de drukslang er uit halen en ermee naar de hydrauliekwinkel rijden. Lijkt me hoedanook de beste optie, die lui zijn heel snel en niet duur.
Volvo 940 1997  Volvo 144 1969
Antwoord
#3
Ja, zoals Marc al zegt, even met de slang langs een landbouwmechanisatie bedrijf lopen, heb ik ook gedaan met die van mij, kost je de kop niet.
[Afbeelding: 84fb94b1c967617fde68e97ccaaf79fc.gif]
Antwoord


Lijst met mogelijk verwante topics
Topic Auteur Reacties Weergaven Laatste bericht
  Volvo 240 - stuurbekrachtiging slang ZwerverRoodbaard 0 1.358 22 August 2023, 21:05
Laatste bericht: ZwerverRoodbaard
  Achteras brom Volvo 245 van 1981 Rin 21 19.875 23 March 2020, 11:09
Laatste bericht: BartJu
  Volvo S80 T6 1999 blijft maar trillen en hobbelen raberwald 5 5.894 15 August 2019, 17:58
Laatste bericht: ZOAB
  Alternatief voor Nivomats volvo s90/V90 jeromvr 1 4.974 11 December 2016, 00:26
Laatste bericht: henqui
  Volvo 245GL 1981 > Stuurhuis vervangen voor jonger model? Brampie 2 5.139 27 September 2016, 19:00
Laatste bericht: Brampie
  Volvo 240 op niveau met comfort . KennOne 4 6.170 30 June 2016, 11:09
Laatste bericht: Dopski
  Aanloop geluid met insturen Volvo 240 Polar. KennOne 6 7.066 5 April 2016, 08:46
Laatste bericht: KennOne
  Stuurhuis oude type volvo 200 hun 7 12.957 31 March 2016, 19:10
Laatste bericht: Jambon
  Uitlijnen Volvo 240 Polar KennOne 7 7.866 15 March 2016, 15:46
Laatste bericht: KennOne
  Wiellager monteren Volvo 144 voor. Mr.C 10 22.870 31 May 2014, 15:16
Laatste bericht: Jambon

Ga naar locatie:


Gebruikers die dit topic lezen: 1 gast(en)